
BTSB系列適合于測量帶子,金屬箔等寬幅材料的張力。



參數規格:
測量范圍:0-0.5N 至0-50N
綜合誤差: ±1%FS
重復性: <±0.03%FS
蠕變: 正負0.05%FS/5mins
標定: 按百坦科技公司出廠程序標定
參考激勵電壓: 5-10VDC
輸入阻抗: 350±5
輸出阻抗: 350±5
絕緣電阻: ≥3000MΩ(50VDC)
零點輸出: <0.1mv/v
零點溫度影響: ±0.05%FS/10℃
靈敏度溫度影響:±0.05%FS/10℃
過載保護: 200%FS
空氣濕度: 85%最大相對濕度
工作溫度范圍: -10到+40℃
傳感器外殼: 鋁制
凈重(毛重): 約400g
連接電纜: 4*0.2²高效屏蔽電纜,3m長。∅6,保護材料為PVC
接線方法: 激勵電壓+:紅色 激勵電壓-:黑色
輸出信號+:綠色 輸出信號-:白色
屏蔽線:銀色
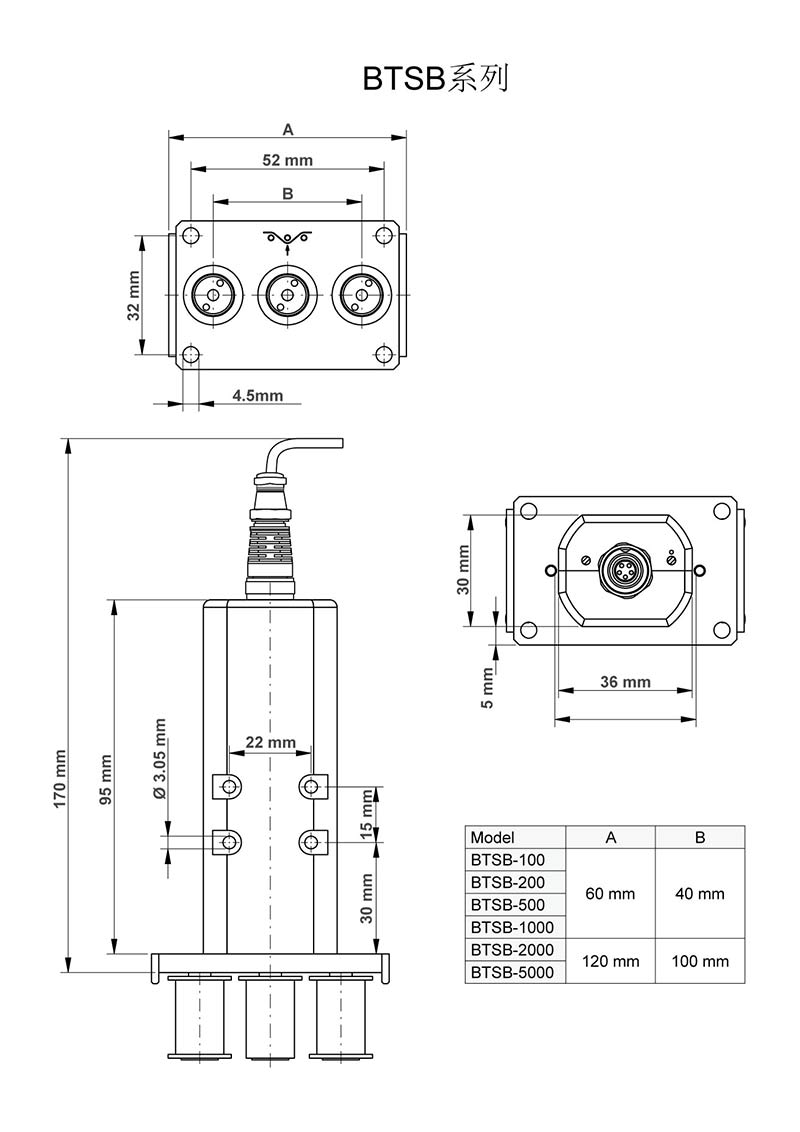
| 型號 | 張力范圍 | 測量導輪可選寬度 |
BTSB-50 | 0.5-50.0 cN | 7,10,15,20,30,40,50mm |
BTSB-100 | 1.0-100.0 cN | 7,10,15,20,30,40,50mm |
BTSB-200 | 2.0-200.0 cN | 7,10,15,20,30,40,50mm |
| BTSB -500 | 5.0-500.0 cN | 7,10,15,20,30,40,50mm |
| BTSB -1000 | 10-1000 cN | 7,10,15,20,30,40,50mm |
BTSB-2000 | 20-2000 cN | 7,10,15,20,30,40,50mm |
BTSB-5000 | 50-5000 cN | 7,10,15,20,30,40,50mm |